传感器
模块型
应用指南
新闻中心
关于金瓷
传感器
防水型
开放型
高频型
大量程型
模块型
圆柱型
方块型
防腐型
小角度
双张检测
风速仪
应用指南
产品应用
常见问题
新闻中心
公司新闻
行业新闻
关于金瓷
公司介绍
联系我们
防水型
开放型
高频型
大量程型
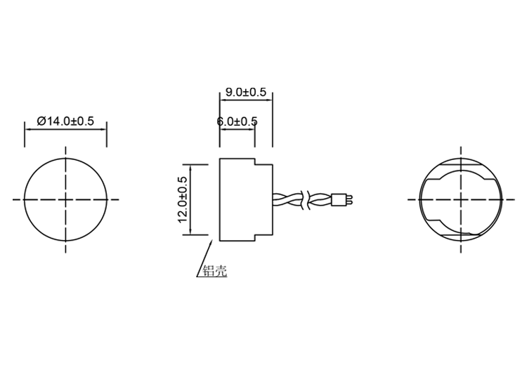
防水型超声波传感器
NU40B14TR-1
Previous
Next
下载PDF
产品型号
NU40B14TR-1
产品分类
防水型
产品类别
收发一体
中心频率
40.0KHz±2%
发射灵敏度
102dB min
接收灵敏度
-80dB min
静态电容
2000pf±20%
分辨率
10mm
余震
1.2ms Max
方向角(-6dB)
120±15°(横向)60±15°(纵向)
最高输入电压(脉冲)
120Vp-p
工作温度
-20℃±80℃
储存温度
-40℃±85℃
外壳材质
铝壳
公众号
微信客服
公众号关注
QQ
售前客服:
电话
0755-27593409
13066828285
Top